Характеристики
Диаметр, мм
DN 50-1200
Раб. давление
10 атм
Тип соединения
сварной
Все характеристики
Характеристики
| Диаметр, мм | DN 50-1200 |
| Раб. давление | 10 атм |
| Тип соединения | сварной |
| Материал | сталь |
| Производство | Россия |
Описание
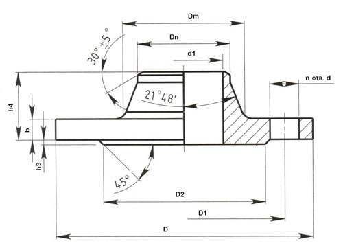
| Условный диаметр, Ду, мм | Наружный диаметр D, мм | Межосев. расстояние D1, мм | Диаметр отверстий d, мм | Dm, мм | Dn, мм | Внутренний диаметр d1, мм | b, мм | h4, мм | Кол-во отв. | Масса, кг |
|---|---|---|---|---|---|---|---|---|---|---|
| 50 | 160 | 125 | 18 | 76 | 58 | 49 | 13 | 42 | 4 | 2,26 |
| 65 | 180 | 145 | 18 | 94 | 77 | 66 | 15 | 45 | 4 | 3,17 |
| 80 | 195 | 160 | 18 | 105 | 90 | 78 | 15 | 47 | 4 | 3,67 |
| 100 | 215 | 180 | 18 | 128 | 110 | 96 | 17 | 48 | 8 | 4,7 |
| 125 | 245 | 210 | 18 | 156 | 135 | 121 | 19 | 57 | 8 | 6,71 |
| 150 | 280 | 240 | 22 | 180 | 161 | 146 | 19 | 57 | 8 | 8,17 |
| 200 | 335 | 295 | 22 | 240 | 222 | 202 | 19 | 58 | 8 | 11,35 |
| 250 | 390 | 350 | 22 | 290 | 278 | 254 | 21 | 60 | 12 | 14,64 |
| 300 | 440 | 400 | 22 | 345 | 330 | 303 | 22 | 60 | 12 | 18,66 |
| 350 | 500 | 460 | 22 | 400 | 382 | 351 | 22 | 60 | 16 | 24 |
| 400 | 565 | 515 | 26 | 445 | 432 | 398 | 22 | 60 | 16 | 30 |
| 500 | 670 | 620 | 26 | 550 | 535 | 501 | 24 | 65 | 20 | 39,2 |
| 600 | 780 | 725 | 30 | 650 | 636 | 602 | 24 | 65 | 20 | 48,8 |
| 800 | 1 010 | 950 | 33 | 850 | 826 | 792 | 27 | 75 | 24 | 87,24 |
| 1000 | 1 220 | 1 160 | 33 | 1 050 | 1 028 | 992 | 29 | 80 | 28 | 119,19 |
| 1200 | 1 455 | 1 380 | 39 | 1 256 | 1 228 | 1 192 | 33 | 90 | 32 | 179,91 |
