Характеристики
Диаметр, мм
DN 50-1200
Раб. давление
16 атм
Тип соединения
сварной
Все характеристики
Характеристики
| Диаметр, мм | DN 50-1200 |
| Раб. давление | 16 атм |
| Тип соединения | сварной |
| Материал | сталь |
| Производство | Россия |
Описание
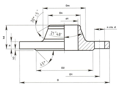
| Условный диаметр, Ду, мм | Наружный диаметр D, мм | Межосев. расстояние D1, мм | Диаметр отверстий d, мм | Dm, мм | Dn, мм | Внутренний диаметр d1, мм | b, мм | h4, мм | Кол-во отверстий | Масса, кг |
|---|---|---|---|---|---|---|---|---|---|---|
| 50 | 160 | 125 | 18 | 76 | 58 | 49 | 13 | 45 | 4 | 2,28 |
| 65 | 180 | 145 | 18 | 94 | 77 | 66 | 15 | 47 | 4 | 3,19 |
| 80 | 195 | 160 | 18 | 110 | 90 | 78 | 17 | 50 | 4 | 4,21 |
| 100 | 215 | 180 | 18 | 130 | 110 | 96 | 17 | 50 | 8 | 4,9 |
| 125 | 245 | 210 | 18 | 156 | 135 | 121 | 19 | 57 | 8 | 6,75 |
| 150 | 280 | 240 | 22 | 180 | 161 | 146 | 19 | 57 | 8 | 8,3 |
| 200 | 335 | 295 | 22 | 240 | 222 | 202 | 21 | 58 | 12 | 11,79 |
| 250 | 405 | 355 | 26 | 292 | 278 | 254 | 23 | 65 | 12 | 17,36 |
| 300 | 460 | 410 | 26 | 346 | 330 | 303 | 24 | 66 | 12 | 22,76 |
| 350 | 520 | 470 | 26 | 400 | 382 | 351 | 28 | 70 | 16 | 32,04 |
| 400 | 580 | 525 | 30 | 450 | 432 | 398 | 32 | 75 | 16 | 43 |
| 500 | 710 | 650 | 33 | 559 | 535 | 501 | 38 | 90 | 20 | 70,97 |
| 600 | 840 | 770 | 39 | 660 | 636 | 602 | 41 | 90 | 20 | 99,3 |
| 800 | 1020 | 950 | 39 | 850 | 826 | 792 | 45 | 95 | 24 | 130,57 |
| 1200 | 1255 | 1170 | 45 | 1060 | 1 028 | 992 | 49 | 110 | 28 | 203,39 |
| 1200 | 1485 | 1390 | 52 | 1268 | 1228 | 1192 | 51 | 125 | 32 | 284,94 |
