Характеристики
Диаметр, мм
DN 50-1200
Раб. давление
25 атм
Тип соединения
сварной
Все характеристики
Характеристики
| Диаметр, мм | DN 50-1200 |
| Раб. давление | 25 атм |
| Тип соединения | сварной |
| Материал | сталь |
| Производство | Россия |
Описание
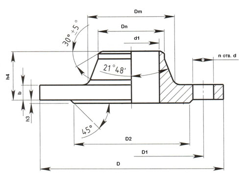
| Условный диаметр, Ду, мм | Наружный диаметр D, мм | Межосевое расстояние D1, мм | Диаметр отверстий d, мм | Dm, мм | Dn, мм | Внутренний диаметр d1, мм | b, мм | h4, мм | Кол-во отверстий | Масса, кг |
|---|---|---|---|---|---|---|---|---|---|---|
| 50 | 160 | 125 | 18 | 76 | 58 | 49 | 17 | 45 | 4 | 2,78 |
| 65 | 180 | 145 | 18 | 96 | 77 | 66 | 19 | 50 | 8 | 3,71 |
| 80 | 195 | 160 | 18 | 110 | 90 | 78 | 19 | 52 | 8 | 4,44 |
| 100 | 230 | 190 | 22 | 132 | 110 | 96 | 21 | 58 | 8 | 6,51 |
| 125 | 270 | 220 | 26 | 160 | 135 | 121 | 23 | 65 | 8 | 9,41 |
| 150 | 300 | 250 | 26 | 186 | 161 | 146 | 25 | 68 | 8 | 12,52 |
| 200 | 360 | 310 | 26 | 245 | 222 | 202 | 27 | 75 | 12 | 17,44 |
| 250 | 425 | 370 | 30 | 300 | 278 | 254 | 29 | 75 | 12 | 24,4 |
| 300 | 485 | 430 | 30 | 352 | 330 | 303 | 32 | 80 | 16 | 33,29 |
| 350 | 550 | 490 | 33 | 406 | 382 | 351 | 36 | 85 | 16 | 46,57 |
| 400 | 610 | 550 | 33 | 464 | 432 | 398 | 40 | 100 | 16 | 64,81 |
| 500 | 730 | 660 | 39 | 570 | 535 | 500 | 44 | 100 | 20 | 88,91 |
| 600 | 840 | 770 | 39 | 670 | 636 | 600 | 49 | 115 | 20 | 123,7 |
| 800 | 1075 | 990 | 45 | 874 | 826 | 790 | 55 | 135 | 24 | 213,9 |
| 1000 | 1315 | 1210 | 56 | 1 084 | 1 028 | 992 | 59 | 150 | 28 | 312,12 |
| 1200 | 1525 | 1420 | 56 | 1288 | 1228 | 1192 | 62 | 160 | 32 | 387,5 |
